防爆整体直式电液推杆

- 品牌:高邮腾达
- 型号:

DYTZB型整体直式防爆电液推杆技术参数选型表 | ||||||||
型号 | 额定输出力(Kgf) | 额定速度(mm/s)(特殊速度可定制) | 电机型号 | 行程制造范围 | 速度制造范围 | |||
推力 | 拉力 | 推速 | 拉速 | (kw) | (mm) | (mm) | ||
DYTZB | 450 | 450 | 300 | 45/70/115/160 | 65/100/145/200 | 0.55/0.75/0.75/1.1 | 5-1000 | 5-250 |
750 | 750 | 500 | 30/45/70/100 | 43/65/100/165 | 0.55/0.75/1.1/1.1 | 5-1500 | 5-170 | |
1000 | 1000 | 700 | 30/45/70/100 | 43/65/100/145 | 0.75/1.1/1.5/2.2 | 5-1500 | 5-170 | |
1750 | 1750 | 1300 | 30/45/70/100 | 43/65/100/145 | 0.75/1.5/2.2/3.0 | 5-1500 | 5-170 | |
2500 | 2500 | 1900 | 24/36/60/97 | 36/53/90/144 | 1.1/1.5/2.2/3.0 | 5-2000 | 5-150 | |
3000 | 3000 | 2200 | 18/27/45/70 | 27/40/68/108 | 1.1/1.5/2.2/3.0 | 5-2500 | 5-110 | |
4000 | 4000 | 3000 | 14/35/55/70 | 21/53/85/108 | 1.1/2.2/3.0/4.0 | 5-2500 | 5-85 | |
5000 | 5000 | 3800 | 18/30/48/60 | 23/39/63/78 | 1.5/2.2/3.0/4.0 | 5-2500 | 5-75 | |
6000 | 6000 | 4500 | 18/30/48/60 | 23/39/63/78 | 1.5/3.0/4.0/5.5 | 5-3000 | 5-75 | |
8000 | 8000 | 6500 | 10/18/25/38 | 13/23/33/47 | 1.5/2.2/3.0/4.0 | 5-3000 | 5-50 | |
10000 | 10000 | 8100 | 8/14/20/30/39 | 10/17/25/37/48 | 1.5/2.2/3.0/4.0/5.5 | 5-3000 | 5-39 | |
15000 | 15000 | 11500 | 7/12/19/24/30 | 8/14/22/28/36 | 1.5/3.0/4.0/5.5/7.5 | 5-3000 | 5-30 | |
20000 | 20000 | 16000 | 5.5/9.5/15/19/23 | 6.5/11/18/22/27 | 2.2/3.0/4.0/5.5/7.5 | 5-3000 | 5-23 | |
选用DYTZB型整体直式防爆电液推杆您需要了解:
1、上列表中的电机电压等级为380V,防护等级为IP44,绝缘等级为B级(根据用户要求可配660/1140或415V,防护等级为IP54、IP55、IP65,或耐高温(120℃)等特殊电机。
2、表中的电机型号及功率,指该推杆在额定输出力、额定速度时为最大值的功率,电机功率与推拉力成正比。
3、表中额定速度为常规速度,若推拉速有特殊要求订货时需说明,若超出表中行程制造范围必须在订货时说明。
4、若无特殊说明电液推杆使用地点的海拔高度不超过1000m,月平均最高相对湿度不超过90%,电液推杆使用的工作环境温度为:-5~+50℃,工作介质随环境温度不同,选用合适的液压油(-5~+20℃时采用32#抗磨液压油(L—HM32),+20~+50℃时采用46#抗磨液压油(L-HM46)),液压油加注前需过滤,过滤精度100μm以上。
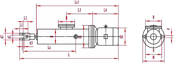
DYTZB型整体直式防爆电液推杆外形尺寸及安装尺寸 | ||||||||||||||||||
| ||||||||||||||||||
高邮腾达-整体直式电液推杆型号示例:DYTZB1000-550/45-p | 注意:订货时若需随机订购外行程装置或手轮等附件需另行注明! | |||||||||||||||||
型号 | 外形尺寸(mm) 注:表中均为推杆缩回状态尺寸,S为行程 | 安装尺寸(mm) 注:电机相关尺寸根据电机型号及实物定 | ||||||||||||||||
Lc | Lc1 | L | L1 | L2 | L3 | L4 | d | d1 | d2 | d3 | D | D1 | D2 | M | N | B | ||
DYTZB | 450 | 373+S | 670+S | 785+S | 24 | 30 | 245 | 246 | Φ20 | 18 | Φ40 | Φ12 | Φ146 | Φ200 | Φ175 | 220 | 160 | 150 |
750 | 373+S | 689+S | 844+S | 30 | 45 | 248 | 246 | Φ30 | 25 | Φ60 | Φ20 | Φ146 | Φ200 | Φ175 | 225 | 165 | 150 | |
1000 | 373+S | 710+S | 865+S | 30 | 45 | 248 | 261 | Φ30 | 25 | Φ60 | Φ20 | Φ146 | Φ200 | Φ175 | 225 | 165 | 150 | |
1750 | 373+S | 735+S | 890+S | 30 | 45 | 254 | 286 | Φ30 | 25 | Φ60 | Φ20 | Φ146 | Φ200 | Φ195 | 225 | 165 | 150 | |
2500 | 373+S | 735+S | 890+S | 30 | 45 | 254 | 286 | Φ30 | 25 | Φ60 | Φ20 | Φ159 | Φ200 | Φ195 | 242 | 182 | 150 | |
3000 | 383+S | 769+S | 944+S | 40 | 50 | 260 | 316 | Φ30 | 30 | Φ70 | Φ30 | Φ159 | Φ250 | Φ215 | 242 | 182 | 150 | |
4000 | 383+S | 788+S | 963+S | 40 | 50 | 260 | 316 | Φ40 | 30 | Φ70 | Φ30 | Φ159 | Φ250 | Φ215 | 242 | 182 | 150 | |
5000 | 383+S | 798+S | 973+S | 40 | 50 | 263 | 316 | Φ40 | 30 | Φ70 | Φ30 | Φ180 | Φ250 | Φ215 | 290 | 210 | 150 | |
6000 | 388+S | 798+S | 986+S | 42.5 | 55 | 263 | 316 | Φ50 | 35 | Φ75 | Φ35 | Φ180 | Φ250 | Φ215 | 290 | 210 | 150 | |
8000 | 388+S | 808+S | 1003+S | 42.5 | 55 | 263 | 316 | Φ50 | 35 | Φ75 | Φ35 | Φ219 | Φ250 | Φ215 | 330 | 250 | 150 | |
10000 | 388+S | 835+S | 1022+S | 42.5 | 55 | 270 | 336 | Φ50 | 35 | Φ75 | Φ35 | Φ219 | Φ250 | Φ240 | 330 | 250 | 200 | |
15000 | 398+S | 907+S | 1107+S | 50 | 60 | 270 | 391 | Φ60 | 85 | Φ90 | Φ40 | Φ245 | Φ300 | Φ275 | 380 | 280 | 200 | |
20000 | 398+S | 907+S | 1107+S | 50 | 60 | 270 | 391 | Φ60 | 85 | Φ120 | Φ40 | Φ300 | Φ300 | Φ275 | 440 | 340 | 200 | |

